Авторизация
По номеру телефона
По E-mail
Войти по коду из SMS
Войти по паролю
Выслать СМС с кодом
Регистрация
Подтвердить
Выслать повторно
Запросить код повторно можно через
Восстановление пароля

Выберите, какую информацию использовать для изменения пароля:

Контрольная строка для смены пароля, а также ваши регистрационные данные, будут высланы вам по email.
Авторизация

Циркуляционный насос Aquario AC 14-8-50F

  • Производитель
  • Гарантия
    2 года
  • Артикул производителя
    5148
  • Страна-производитель
    Россия
  • Назначение
    отопление
  • Напряжение
    220/230 В
  • Температура перекачиваемой жидкости
    от +2 до +110 °C
  • Максимально допустимое давление в корпусе насоса
    10
  • Потребляемая мощность
    1000 Вт

Модификации:

Максимальный напор:
Цена:
45 907 ₽ / за штуку
- +
Скидка за оптовую покупку

  • Характеристики

    Мощность
    • Потребляемая мощность 1000 Вт
    Температура
    • Температура перекачиваемой жидкости от +2 до +110 °C
    Давление
    • Максимально допустимое давление в корпусе насоса 10
    Подключение и монтаж
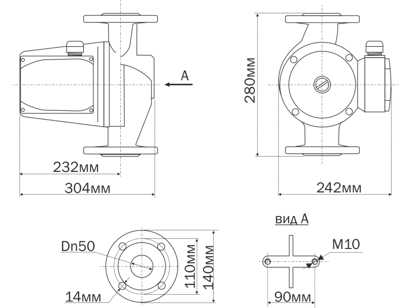
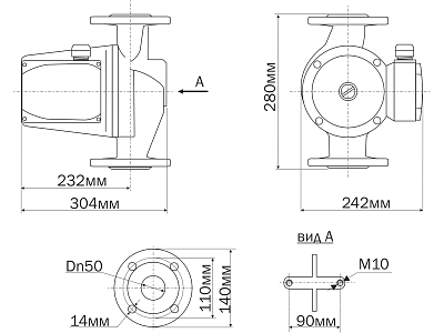
    • Номинальный диаметр присоединения DN 50 мм
    • Тип присоединения фланцевое
    Конструктивные особенности
    • Тип ротора мокрый
    • Материал рабочего колеса пластик
    • Материал корпуса насосной части чугун
    Технические характеристики
    • Назначение отопление
    • Режим работы 1 скорость
    • Максимальный напор 8 м
    • Максимальный расход 14 м3/час
    • Класс защиты IP44
    Напряжение и электропитание
    • Напряжение 220/230 В
    • Номинальный ток 4,8 А
    Габариты и вес
    • Монтажная длина 280 мм
    • Высота 280 мм
    • Ширина 242 мм
    • Глубина 305 мм
    • Вес 17,6 кг
  • Модификации

    Максимальный напор:
  • Описание товара

    ОБЛАСТЬ ПРИМЕНЕНИЯ

    Насос АС 14-8-50F это одноступенчатый центробежный насос с соосно расположенными входными и выходными патрубками. Насос имеет патрубки с фланцевым присоединительным диаметром для трубы 50мм Предназначен для осуществления циркуляции воды в контурах систем отопления и охлаждения зданий и для перекачивания воды в различных технологических процессах. Насос устанавливается и эксплуатируется в помещении. Режим эксплуатации - непрерывный.

    ЭКСПЛУАТАЦИОННЫЕ ОГРАНИЧЕНИЯ:

      Подача: до 25,0 м3/ч

      Напор: до 12,0 м

      Присоединительный диаметр: 50 мм фланец

    КОНСТРУКТИВНЫЕ ОСОБЕННОСТИ:

      Корпус насоса: чугун Рабочее колесо: технополимер Вал двигателя , подшипники: металлокерамика

      Гильза статора: нержавеющая сталь Электродвигатель: однофазный 220В/50Гц, с конденсатором и встроенным тепловым реле защиты

      Изоляция: класс H

      Класс защиты: IP 44

    Исполнение без механического уплотнения вала. Во время эксплуатации ротор двигателя и подшипники смазываются и охлаждаются перекачиваемой жидкостью. Количество скоростей работы - 1

    Вся информация о товарах взята из открытых источников и не является публичной офертой.

    Изображения и технические характеристики могут отличаться от реальных.

    Проверяйте технические данные в момент приема и оплаты товара.

  • Как оформить заказ

    По телефону

    Позвоните нашим менеджерам по номеру +7(495)777-67-22 . Они помогут подобрать оборудование, ответят на вопросы и оформят заказ.

    Быстрый заказ

    Для одного товара нажмите «Купить» рядом с ценой, введите номер телефона в появившемся окне и снова нажмите «Купить». Мы перезвоним для уточнения деталей.

    Через корзину

    Добавьте нужные товары в корзину, нажав «В корзину». Затем перейдите в корзину и нажмите «Оформить заказ». Укажите данные и подтвердите заказ. Мы свяжемся с вами для уточнений.

    По электронной почте:

    Отправьте список товаров, спецификацию или планировку на info@tavago.ru. Мы подготовим заказ и свяжемся с вами

    Как оплатить заказ

    Наличными курьеру при получении заказа или в офисе

    Картой при получении или в офисе. Мы принимаем карты Visa, Mastercard, Мир

    Безналичный расчет для юридических лиц

    Как получить заказ

    Доставка по Москве и Московской области

    Доставка в пределах МКАД - от 500 рублей, за МКАД - 40 рублей/километр. Подробнее

    Доставка по России

    Отправляем в любую точку России через выбранную транспортную компанию. Стоимость зависит от региона, габаритов и веса товара. Подробную информацию вы всегда можете уточнить у наших менеджеров. Подробнее

    Самовывоз

    Наш офис находится в бизнес-парке Румянцево на Киевском шоссе. Всего 500 метров от МКАД, бесплатная парковка, шаговая доступность метро. Оплатить товар можно в офисе, а забрать на складе. Перед приездом позвоните нам , для уточнения наличия товара и заказа пропуска в бизнес-парк.

Вы недавно смотрели

Монтаж и пусконаладка оборудования

Подробнее

Бесплатная консультация специалистов

Заказать звонок

Гарантийное и постгарантийное обслуживание

Подробней

181 день
на возврат товара

Подробней